
Contact Rating: 12A 125VAC
10A 250VAC
Electrical Life: 10,000 cycles
Contact Resistance: 50mΩ max.
Insulation Resistance: 100MΩ min.
Withstand Voltage: AC 1500V for 1 min
Operating Temperature:- 20℃~+85℃

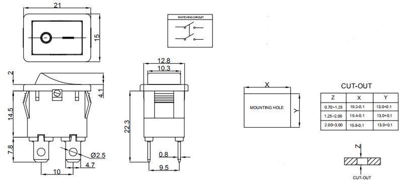
介紹:
船型開關系列,多種規格尺寸,有方形和圓形,多種功能帶燈和無燈,小電流和大電流,大電流20A 30A 通常用于電焊機設備和大電流的機器設備等,是最常見的電源開關。

